WATZ社 SP、アンプセレクター、ヘッドフォンジャック HA-220
WATZ社のアンプ、SP切り替えセレクターのキットです アンプ2台、スピーカー2組の切り替え可能
ヘッドフォン端子付きです 組み立てキットなのでご自分で配線という事になります。
配線材料、ネジ、ケースなど一式そろっています 半田ごてとニッパ、ドライバー、ワイヤーストリッパー、ハンダ, 6角レンチ(1.8mm) が有れば作成可能です。 https://watz-net.com/
画像拡大できます ケースはALLアルミ製です
ロータリースイッチ、標準ジャック、ツマミ、線材、SP端子版など
ツマミはSATOパーツ製です
WATZ HOMEページからコピペ
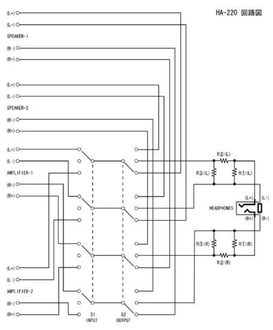
■ヘッドホンジャックの無い真空管アンプに接続して、ヘッドホンで聞くことが出来ます。
■ヘッドホンの音量設定用に3種類の抵抗が付属しています。
■アンプ2系統を切り替えて聞くことが出来ます。
■スピーカー2系統を切り替えて聞くことが出来ます。
■サイズ:W150, D100, H50 mm(突起部を含まず)
■絵で見る「カラーの実体配線図」が付いているので、誰でもカンタンに作れます。
■接触不良のおきにくいロータリースイッチを採用しました。
■ケースはオールアルミ製、黒色アルマイト仕上げ。
■入力はアンプ2系統、出力はヘッドホンとスピーカー2系統としました。
■ロータリースイッチはショートタイプですが、OFF位置を入れることでアンプが同時に接続されないようにしました。
■回路には、酸化金属被膜抵抗を採用しました。
■配線用コードには、赤黒線(0.5SQ)を採用しました。
■ラベルが余分に入っていますので、失敗を恐れずに作業が出来ます。
注意
◆ヘッドホンジャックは、Φ6.3mm3極ステレオプラグ専用です。モノラルプラグは使用しないで下さい。 ヘッドホンがΦ3.5mmのプラグの場合は、変換プラグをお求めの上ご使用下さい。
◆使用できるアンプ: シャーシとスピーカーのマイナス端子(L/R両方)をテスターでチェックして導通しているアンプに使用出来ます。
線材を2種類の長さに切って被覆を剥いて用意します イラストと同じに作業すれば組みあがります
ハンダは自分で用意しました(付属していません)
線材の処理は混乱しますが荷札で確実に行います ラグ板と抵抗はヘッドフォン対応負荷抵抗です
かなり大変なのがパネルに貼るラベルです 前面はシャフト部は丸でなく四角に切り取ります(丸に繰り抜くのは難しいですし、ツマミで隠れます) 私は配線が終わってから貼りました このラベルはフロント側はかなり薄いので皺なく貼るのは大変です
底脚も付属で付いています サイズ:W150, D100, H50 mm(突起部を含まず)
完成です スイッチは適度なクリック感が有ります ツマミは大型です
接続部です バナナプラグ端子が良かったのですが価格的に無理かも
HA-220の上位機種はバナナプラグ対応です。
アンプ出力は3本の金属皮膜抵抗で受けてヘッドフォンジャックに繋がります(下図)
ヘッドフォンのインピーダンス標準設定は20~100Ωになります(3種類の抵抗で決定します)
付属で音量設定用にL,Rで4本(合計10本の抵抗)が付いており音量を3段階に決められます。
https://watz-net.com/index.html
あとがき..
価格的には作りやすい価格ですが、送料も入るのでトータルで6000円近くにはなります 自分でパーツを此れだけ揃えると結構大変です キット内容は品質的に良心的と思いますし適正な部品を使っています リード線が多いのでタグを付けて確実に組み立て、配線をしないと間違いが出ます 私はダイソーで売っていた荷札を使いました また配線で絡め配線は無理なので殆どチョン付けです ハンダは日本アルミットKR-19RMA 音響用ハンダ2M切り売り を1m位?を使用しました。
追記....悩んだ!
このAMP/SP端子パネルでAMPコードとSPコードを差し込みますが、下図で緑線部分に接触金属片(バネの一部)が有り、バネでコード線材を押さえますが接触片がプラ部分に引っ込んで隠れてしまうと接触不良になり音出ずとなります どちらかというと差し込む穴が小さすぎるようです ピンセットでこじ開けました セレクタースイッチの接触不良と最初は疑って半田付けなどをやりましたが直らず、最後にアンプ/スピーカー端子に行きつきました 結構悩みました....(;^ω^)
本来はねじ式、或いはバナナプラグ方式が良いのですけどね 値段相応です。
-
購入金額
4,950円
-
購入日
2022年10月頃
-
購入場所
WATZ






















ZIGSOWにログインするとコメントやこのアイテムを持っているユーザー全員に質問できます。