パッチコです。FD3Sは私が車の免許を取るきっかけとなった車でした。
当時、パソコンしか自慢できる趣味が無かったのでそれに伴う起業をした際、ふと町中を走り去った1台のFDにこころを奪われました。
RX−7との出逢い:
小学校にあがったくらいにスーパーカーブームがありまして、カウンタックやミウラ、ストラトス、ポルシェなど「夢のまた夢」のような車は好きでしたが、家族の中で誰も車どころか免許すら持ち合わせない極貧の我が家では本の中のものでしたね。それ以降気になる車はナイト2000かファイヤーバード。R30も好きではありました。
起業後、それなりの収入も入るようになり、他の同僚の誰もが車をもっているのとFD遭遇と相まって、教習所に通うようになりました。
当初、FDはまだまだ高く、同僚から10万で買ったAE101GTZ(101トレノ)という車に乗っていました。高校時代の仲間とも走りにいったりして、週末はいつもファミレスに入り浸る毎日。
ある日、FDではなくFCを探しに中古車屋へ行ったのです。そこで程度はそこそこのFDと出逢い、予算50万オーバーで即決。年式で考えるとFDとFCでは相当に開くんですよね。当時としては安かったんではないかなあ。納車日に初心者マークがつかない事にビックリしたものです。(当時ギリギリ初心者マークだったんです。今から考えると凄い事)
写真検索中:
この頃から出入りしていたショップの紹介でサーキットに行くようになり、自分のヘタクソ具合にだいぶ悩まされ続けましたが、寝ても覚めても車の事ばかりでした。最初のサーキットは「日本海間瀬サーキット」でした。
だいぶ運転に慣れた頃、大きな事故をやりまして、怪我こそしなかったですが、FDは中破。外装パーツなどをそう取っ替えし、白号リニューアルを行ないました。FDはフロアが特に弱い上に、リトラクタブルヘッドライトはすぐに吹き飛びます。少しでも部品数を減らす為、スリークヘッドライト化です。当時Borderというメーカーのエアロパーツが好きでしたね。パワーよりもかっこよさ重視でした。よく出来たエアロパーツで、ボンネット内の抜けが良かったです。
ヒーローしのいサーキットが始まった頃のしのいサーキット。
エビスサーキットのグリップ祭り(実は突っ込んでバンパー中破)
この頃の走行距離が大体13万キロ。圧縮も無く、エンジンのオーバーホールを実施。
PowerFCとの組み合わせで390ps(ダイノパック計測)
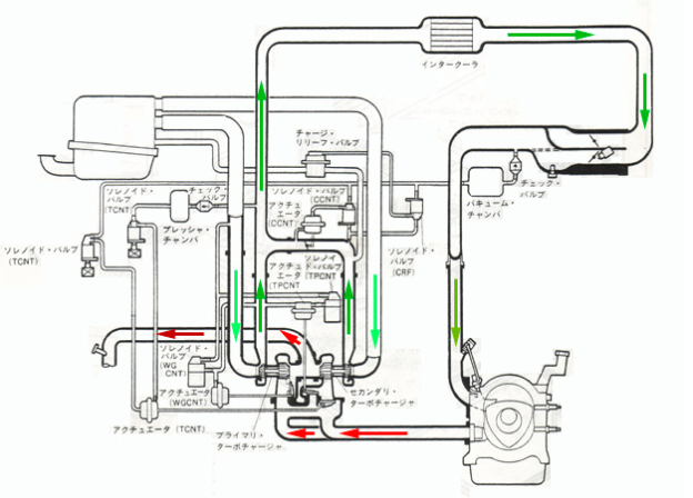
レベルアップしない?の一言でインタークーラー前置き化
インタークーラーは前回の改修時に純正置き換えタイプ(トラスト製)でしたが、ラジエータの後ろに配置される為、吸気温度が下がりませんでした。インタークーラーは、加給されたエアーを冷やす事で、点火時の燃焼による膨張を高めます。ショップの社長さんにお任せして、インタークーラを切った貼ったで前置きに。効果は高かったです。自分が乗っていた中では最も速かったですね。最高速は255km/h。
トラスト主催竜ヶ崎ゼロヨン参加
先輩と夜の首都高へ。流しただけですよ。
その後、2度目の大きな事故を起こしまして、怪我が無いもののボディは再起不能に。自責の念に駆られて実に1年半の間、車を所有しませんでした。
そして2台目に:
周辺の仲間の励ましもあり、フルノーマルのFDを再度購入。当時、RX−8という選択肢もありましたが、コスト的にそちらの方が現実的。購入直後にほぼホームコースの本庄サーキットに行ってきました。
そして2台目のFDを購入。(赤パッチ号)
ノーマルの足はロールしまくり。ボディもきしむ。
そのままレースとか
やっぱりノーマルの足回りじゃ、ロールも酷いがピッチングも酷い。
新FDで走行後、やはり納得がいかないので、生き残った車の部品をそっくり載せ換えました。エンジン、LSD、足回り、フライホイール、クラッチ、CPUを換装。論理的には前と同じはずですが、同じにはなりません。車はそれぞれでそういうものです。でも一番大きかったのはおそらく前回の事故による「心理的ダメージ」かも知れませんね。腕のなまりも当然あります。
筑波ショートコース参加
この頃、今の嫁さんとも出会い、結婚を機に徐々に車で遊ばない生活に。本心では走りにいきたかったのですが、ずっと我慢の連続でした。
カーボンボンネットと赤地塗装がすぐに、、
そして、あの震災です:
ガソリンの高騰、買い控え、当然車のチューニングなど真っ先に削減される訳です。
行きつけのショップも、相当な苦戦を強いられたようです。
ショップの社長より打診があり、デモカーのRX-8を購入となったのです。
我が家も子供が生まれ、サーキットへ行く事もほぼなくなったこと、チャイルドシートをつけても家族が全員乗れるという事が決定打でした。
残ったFDは、次の乗り手が見つかるまで、ショップに預けてあります。
車検は一時抹消なので、お金はかかりませんが、おいそれと走る訳にも行きません。
そして定位置へ
FD3Sの良いところ、悪いところ:
人によっても評価はまちまちですが、本当にロータリーを早い時期から楽しんでいる層であれば、きっと、FC3Sが最高というのではないでしょうか。5ナンバーで小柄なボディ、シングルターボのやや上よりセッティングですが、シンプルですし。
FD3Sはわざわざ3ナンバーにしたのは、「価格を上げる事」「税金をかける事」でも中身的にはほとんど変わっていません。大きく変わったのは3つ。一つは足回り。2つ目は幅、3つ目はターボ形式。
足回りの部品点数はかなり増えてブッシュの数も倍近くなっています。当然動きも良い。
FCまではフロントがダブルウイッシュボーンでリアがストラット。FDは前後共にダブルウイッシュボーンとなりました。(間違ってたら指摘してください。)
2つ目は幅。FDはFCよりも、ホイルベースが5ミリ短く全長も50mm短い。それでいて幅が7センチ長い。車のコーナリング性能に振るセッティングです。実はSAやFCは直線で勝つ傾向が強かったのです。FDからはコーナリングで稼がなければならなくなってきた。(エンジン進化のストップ、レシプロエンジンのパワーアップによる。)
三つ目のシーケンシャルターボ搭載は、誰でも乗れるロータリーを作り出しました。ターボエンジンというのは、エンジンから排出する排ガスでブレードを回して、その力で吸気ガスを圧入するものです。従来のシングルターボでは高回転になればなるほど圧縮が増えるので、凄くピーキーな運転になります。逆に言えば、低回転ではタービンが回りませんので、もっさりします。(これはポルシェ911ターボが顕著です。)
シーケンシャルターボはタービンを一回り小さくする事で低回転からターボを効きやすくする。高回転になったら2つ目のタービンを上乗せする。理想的です。が、逆にタービンの切り替わりで「谷」が出てしまいます。また機構が複雑なので、へたりが出てくると修繕が大変です。有名な漫画「頭文字D」でも、名ゼリフ「セカンダリータービン止まってんじゃねーのか?」ってのがありますが、これは実際にはパイプ裂けなどの漏れが多いです。タービン本当に固まってると、排気干渉などで酷い事になるはず。
通常、プライマリタービンは2500回転以上で効き始め、セカンダリータービンは4500回転以上で効き始めますが、私の経験では、4500回転以上になると、ブーストが0になる事象があり、これは完全にホースの問題でした。
上記三点は大きいようにも思えますが、基本的に車の性質はほぼかわっていません。マツダの車の傾向(7くらいまで)はあくまでもローテクをチューニングして乗っていく事だと思っています。RX-7はABSこそつきましたが、横滑り防止とかついていません。RX−8からはつきましたけどね。ABSも出来がお粗末で、サーキットでのコーナリング中のブレーキ2度踏みは即ロックします。
また、軽量化はかなり頑張っていますが、ボディ剛性はお世辞にも高いとは言えないです。特にフロア。追突事故をするとわかりますが、くちゃくちゃになるので、事故車かどうかはここをみればだいたいわかります。もっとも、事故をしていないFDなんて滅多に無いですけどね。私の赤号も事故は無いですけどね。
パッシブセーフティをすてて、フェンダーとドアの間を固めたりすればだいぶ良くなりますが。
パワー、パワーと言いますが、普通の街乗りではRX−8同様、持て余します。ただ、RX−7は5速7500回転なので、一般的な車とさほどかわりませんので、運転に困る事はあまり無いと思っています。ブースト無しの3000回転以下ではトルクが薄いので、慣れないとエンストもするでしょう。何よりも、バックがギクシャクするイメージがあります。(多分、強化クラッチと軽量フライホイールやLSDが影響しているかも)
理想のRX−7てどんなだろう?:
サーキットでレースをするなら、3ローターかと思う。タービンは要らないかな。そのかわり爆音です。町中はとても乗れないでしょう。(その前に車検が厳しいか。)ペリポートの3ローターで、450馬力くらいは出るかな。NOSとか入れたら500馬力は出るでしょうね。それ以上はコースにもよりますが、コントロールできないかと。
ターボを外せばエンジンルームはガラガラになるし、重量配分もかわってくるのでしょう。
組み立て中の3ローター・ペリエンジン。ヨダレものです。
ロータリーはおむすびが2つあれば2ローター、3つは3ローターです。
計算され尽くされた幾何学的なエンジンですね。
ゼロヨンであれば、モアパワーですから、2ローターに大きめのタービン、前にも書きましたが、ロータリーはタービンとの相性がいいので、大きいタービンが回ります。
街でしか乗らないなら、シーケンシャルを残すか、ハイフロータービンでシングルターボ化とか。足回りも柔らかめにしてスタビと減衰で調整するとか。ノーマルでも十分なくらい。正直に言うと、最終型FD3S(スピリットR)は、足のセッティングさえ整えれば、ほぼ完成系です。
よく言われますが、FDよりもロードスターの方がコントロールできて楽しい。それは使い切れないパワーがフラストレーションを生むのです。街乗りで飛ばすのはマナー違反ですが、本当に去勢された感じになってしまうのですよね。RX−8と同じく、街乗りではパワーを生かせません。しかも回転を上げられないので、ちょい乗りを繰り返すとプラグが湿ってカブる事があります。やっぱり結論的には「走る事だけを考えた車」なんでしょうね。
山路選手よ、安らかに:
つい先日、GT選手権のロータリアン、タケヤリ山路選手が亡くなりました。享年50歳。あまりにも若すぎます。暴走族上がりのレーシングドライバーという経歴は珍しいですが、色々なドラマや奇跡を起こしてくれました。初期の頃、暴走族風のマフラーをつけたマシンに乗っていた事から、タケヤリ山路の愛称で親しまれました。
こころからご冥福をお祈りします。
2016/04/10:FD買手、見つかりました。
震災後5年も放置した7ですが、今回買い取り先が決まりました。
いなくなってしまうとそれはそれで寂しいものですが、またナンバーとって走ってくれるみたいなので、よかったかな。
久しぶりにエンジンをかけましたが、ちゃんとかかっていましたよ。
-
購入金額
1,500,000円
-
購入日
1998年頃
-
購入場所


















mickeyさん
2014/05/26
ライトの車が好きでした。
当時は、サバンナ(SA22)や、MR2(AW11)でしたが、
免許を取る年代になると、RX-7(FD)やMR2(SW20)に
なっていました。
そして、何故かSERA(ガルウイングだったからw)を
購入したのち、MR2(SW20)となり今に至ります(^^)
FDもほんの一時期乗っていたのですが、楽しかった記憶
があります。
退会したユーザーさん
2014/05/26
こういう車のを乗った歴史をきくの好きです(*´ω`*)
パッチコさん
2014/05/26
リトラとかガルウイングってやっぱりどこかカウンタックな感じなんですよね。
コルベットって人もいるかもしれませんが。
そういえば、SWもAWもリトラですねw
パッチコさん
2014/05/26
あんまり細かく書くとどん引きになるかもですw
高性能な車は他にも沢山ありますが、かっこよさなら断然FDと思っています。
最近、アヴェンタドールとかもきになってますけどねw
買わないよーw
アヴェンタドール
supatinさん
2014/06/03
いつもお世話になっております
(*・ω・)*_ _)ペコリ
>>週末はいつもファミレスに入り浸
オイラの青春ともろ被りで懐かしくて目から汗が・・
峠通いの日々、車以外何もなかったけれど幸せでした。
(´;ω;`) ブワッ
>>3ローター・ペリエンジン
ロータリーマニアならずとも、まさにお宝!!
当時お世話になっていたショップにSA22Cのお客さんが多くいて
12Aペリのサウンドが脳裏に焼き付いております。
パッチコさん
2014/06/03
そうですねー、ほんと、あの頃は楽しかった。
あの頃みたいに遊びたいですねー。
12ペリはそれはそれで雰囲気ありましたね! ハーレーみたいにばらけるけど、存在感は最高ですよね。
cybercatさん
2014/11/07
自分も若いころ乗ってました。
高速のランプを駆け上がるときの空まで飛んでいきそうな加速感とストレスなくレッドゾーンまで吹けきるエンジンは音ともども今でも夢に見ます。
ただ自分の腕では妻の乗ってたNA8Cロードスターの方が安心して振り回せたのも事実です。
パッチコさん
2014/11/08
FDいいですね! もう一度乗ろうか悩んでいますよ。結構お金かかっちゃいますけど。
NA8Cもいい車ですね!
FDはデカイ上に極端な加速感があるんで、振り回すのには度胸がいる車です。
そういう意味ではロードスターの方がスポーツ的だと思うんです。
北のラブリエさん
2014/11/08
パッチコさん
2014/11/08
サーキットなんて走ってると燃料計が減っていくのわかりますものw
その分1回で72リットルも給油できます(爆)
1万円で満タンにならないですよw
vuronさん
2014/11/08
なぜアンチなのかって、おにぎりが回ってエンジンからパワーが出る仕組みがいまいちぱっとしないからなんです(今でもw
構造を理解するためにSA22CからFD3Sまで友人と共同で作りましたけど
いじってもわからなかったw
でもSA22C→FC3S→FD3Sとボデーで高速時の性能はダンチで違いましたね
SA22CとFCはブーストアップ程度で止めましたが、
FDはIHIのシングルビッグタービンに変えて過給圧も2.5kgまで上げて
シャシダイで450psのドッカン仕様で最高速200マイル!
近くまで行きましたw
サバンナもFCも200kmいかない程度で空気抵抗でボデーが歪みはじめるのに対して
FDは250km位でもタワーバーとロールケージのみで剛性強化なしで行けましたので
やっぱり大きくなった理由はそこにあるんだと思いました
パッチコさん
2014/11/08
コメントありがとうございます♪
アンチロータリー歓迎ですw ロータリーって発想は円運動系を如何に円滑に実現するかという面での発展系だと思うので、理系というよりは文系的な側面もあると思うんです。実際、考案から実現まで相当な期間がかかりましたし、考案者は実用化ができていませんでしたw
マツダは今でこそ国内4位の会社でしたが、相当な労力と投資を行いましたので、ロータリー云々というよりは、努力の結晶でしょうね。実はめるせです、BMW、日産、トヨタも初期のロータリーは研究費を投じましたし、ただ、諦めるのが早かっただけかもしれません。見切りの速さで世界をとったトヨタもそれぞれの魅力がありますよ。
ボディは相当に研究をしてますね。モデルは零戦だというエピソードもありました。
初期はコーナリングではなく、モアパワーとしてのロータリーでした。追い上げが凄かったのは日産ですね。
現在では、パワーも燃費も日産、トヨタにはかないません。
が、時代を担った一つの答えがロータリーだと思います。今じゃレトロの域に入りつつw
今でもRX−8となってロータリーに乗っていますが、NAのロータリーもまた面白いですね。
やっぱり、ローテクを極めて突き進むマツダであって欲しいななんて思いますw
北のラブリエさん
2016/04/10
かわいがってもらえるといいですね。
パッチコさん
2016/04/10
そうなんですよ。嬉しいやら悲しいやらですが、優しそうな若い青年なのがよかったです。
ドリフトしたいとか言ってましたけどねw
くろぱんださん
2016/04/10
身長的にFDは乗れずFCの記憶しかないですが、
ロータリーの突き抜ける加速感イイですよね。
某車用品店でRE雨宮チューンのデモカーが並んでいましたが壮観でした。
なかなかあのようなチューニングカーは残ってはいないでしょうが、
お金と場所が許せば保護したいですね。
cybercatさん
2016/04/10
最初のボロコルサ以外は「乗れてよかった」という車ばかりですが、FDが一番記憶としては鮮明ですね。
今でも高速のランプを登っていくときの離陸しそうな加速は昨日のことのように覚えています。
車は走ってナンボですから、買い手が見つかってよかったですね。
パッチコさん
2016/04/10
FDとFCはよく比較される車ですね。
レブッてもなかなか壊れないロータリーは高回転ほど素早く回転が上がりますよね。
本当怖い車ですw
うちの通っているお店は元雨宮のチーフメカニックだった型のお店なので、結構レース関係者の方は多いですね。 今なら大分安くなりました。ただ車検とかはね、結構つらいところ。
パッチコさん
2016/04/10
特にノーマルの足回りで全力加速をすると、フロントのピッチングがひどくて、ステアリングが軽くなったりしますもんね。w
大きな事故をやったのもFDでしたし、それでも、大きなけがはなかったですね。
印象の強さではFDが一番でしたね。
今回はうちの通ってるお店で継続的に整備するって言ってたので、まだしばらくは眺めることができそうですよw
hidechanさん
2016/04/12
私が免許をとった頃のあこがれの車BIG3(R32、Z32、FD3)
イニシャルDの影響をモロに受けたものの、免許取り立ての私に買えるのは
S13のシルビアでした。
10万で買ったシルビアにトラストのドッカンターボを付けて、ウエストゲートで
『プシャー』って言わせながら首都高をグルグル走っていた頃を思い出しました^^
柔い足回りなのに、FD3の先輩を追いかけて、首都高9号線の右、左ってコーナーで
スピードが出すぎて横っ飛びし、ミラーが粉砕したことなど、
事故はありませんでしたが、今思うと危ないことをしていました><
同級生達は、86かシルビアばかりでしたが、先輩のFD3はカッコ良かったですね~
やたらとR32の方達とは、仲が悪かったですがw
パッチコさん
2016/04/12
コメントありがとうです。
危ないなーw
R32はFDから乗り換える人が多いそうです。確かにファン層は多いかもですね。R32のどっしり感はFDのネガを全部解決してくれた感じがしますよ。
シルビアもいいよね。時期にもよりますが価格が一番動いて時期によっては高嶺の花みたいな時期も。
まーくんZさん
2016/04/12
大学の恩師がR32のGTStとか乗ってましたねw(当時60歳間近)
パッチコさん
2016/04/12
「グッパイナベさん!」ですなあw
ダブルXXは高級車でしたねえ。 あの漫画3ローター3ターボとなかなか鬼気迫るチューニングを提唱されてましたねえw
GTStはゼロヨンとかドリフトでは人気ですね。