知人の車(ホンダ ステップワゴンRG1)の純正ナビを、社外のものに付け替えてあげました。
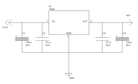
バックカメラの電圧が8Vが必要ということで、作成してみました。
インターネット上の情報から、回路図を起こし、zigsow日記で教えていただいたものを作ってみました。
その後ですが、無事取り付けも完了し、問題なく動作しているようです。
発熱もバックの時だけなので問題ないと思われます。
1年ほどたっていますが、クレームが入ってないということは大丈夫ということでしょうw
-
購入金額
500円
-
購入日
2015年01月頃
-
購入場所





ZIGSOWにログインするとコメントやこのアイテムを持っているユーザー全員に質問できます。