最近組んだPCは、
Mother Board ASRock Z170 OC Formula
CPU Intel Core i7 6700K
Memory Kingstom DDR4-2800 8GBx4
GPU ELSA Quadro K4100
System Drive Samsung SM951(NVMe) 256GB M.2 SSD
Strage HGST 4TBx2 , 3TBx2 各々RAID-0
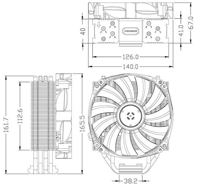
CPUクーラーは、LGA1150のものが使えるということで、ENERMAX ETS-T40-TBを使っていたのですが、実は、冷却ファンを、排出側(バックパネル側)に1つ付けただけで運用していました。
通常の取り付けでは、メモリがでかくて、メモリ側にファンが付けられないのです。
ファンで風をラジエター部分に吹き付けるのと、背後からファンで空気を吸い込んで、その負圧でラジエターを冷やすのでは、推測ですが、後者の方が冷えないのではないかと思います。
そこで、ラジエター部分が薄くて(マザボードのCPUクーラー取り付け穴から飛び出さない)そこそこ冷えるクーラーを探していました。
これまでも使ってるENERMAXで、ヒートシンク部が薄く、14cmファンが付いていて、マザーボードに取り付けるステイよりファンが飛び出さないのでOKです。
14cmファンですが、取り付け穴は12cmと同じ間隔なので、12cmファンと共用のファン取り付け金具で、背面(バックパネル側)にもファンが増設できるように、もう1組の共用のファン取り付け金具も付属しています。
手前に厚手のヒートスプレッダーの付いた、DDR4-2800 8GBx4があってもギリギリ干渉しません。
14cmファンなので、静か(低回転)でも、そこそこ冷えるようです。
これで、反対側にも14cmファンを追加して、OCも試せそうです。
-
購入金額
5,920円
-
購入日
2015年09月28日
-
購入場所
DOSPARA 秋葉原本店




ZIGSOWにログインするとコメントやこのアイテムを持っているユーザー全員に質問できます。