テキサスインスツルメンツの高速広帯域なオペアンプです。うまく使えればものすごく音質がいいとされています。
発振しなければプラチナ音質になる
高速オペアンプらしく解析的で、色の付きにくい鳴り方をします。但し、後述のように発振している可能性があり(位相余裕はあるはずですが)、音質に影響が出ています。下手をするとLME49720NAにも劣っているかもしれません。これが実力だったらガンジーでも助走をつけて殴るレベルですが、発振の影響でしょうから位相補償コンデンサを付ける必要があるようです。過渡応答の写真では発振していないように見えますが、私のオシロスコープは帯域が100MHz、サンプリング周波数が200MHzしかないので、50MHz以上で発振があっても正しく表示されません。
一部ではディスクリート超えとまで言われていたようですが、それは発振していない時の話のようです。調べてみたところ、Zobelフィルタを使うと発振が止まるようです。そこで、Zobelフィルタ(0.1μF+10Ω)を別板で実装し、アンプとヘッドホンの間に噛ませて再生したところ、情報量が多く見通しが良く、クリアできらびやかなプラチナサウンドになりました。

過渡応答(A=11 Vin=200mVp-p f=100kHz Rfb=10kΩ 位相補償なし 10:1プローブのみ接続 ガラエポユニバーサル基板)
(12/30追記)15Ω負荷(セメント抵抗)時の過渡波形を以下に掲載します。

過渡応答(A=1 Vin=200mVp-p f=100kHz Rfb=0 位相補償なし Rl=15Ω ガラエポユニバーサル基板)
Zobelフィルタ
発振対策のためにZobelフィルタを実装しました。Zobelフィルタでは汎用品などを使うと音が悪くなると言われていますが、信号の流れに対して直列(入力→出力)の部品は影響が大きいのに対して並列(信号ライン→GND)の部品はそうではないと考えています。私は次のパーツで実装しました。
- パナソニック メタライズドポリエステルコンデンサ ECQE2 0.1μF/250V
- タクマン オーディオ用金属皮膜抵抗 REY 10Ω/1W(直列成分)
- コーア 酸化金属皮膜抵抗 MOS 10Ω/5W(並列成分)
- 銘柄不明 アキシャル型インダクタ 1.0μH(太陽誘電LAL03か?)
並列成分(コンデンサと酸金、狭義のZobelフィルタ)はアイソレータ(直列成分、インダクタと金皮)の前後に2つ実装していますが、どちらか1つだけにする場合もあるようです。言うまでもないことですがステレオなので同じ回路が2セット必要で、なんとかC基板1枚に両チャンネル分を実装しています。
まずは発振対策をしろ。話はそれからだ
まず発振対策が必要です。具体的には、出力にZobelフィルタを噛ませます。オーディオアンプでこの石の使用を考える場合、設計段階でZobelフィルタを作りこむ必要があるため、表面実装の1回路品しかなく変換基板が必要であることは些事です。
電源電圧は±5V~±15Vで動作しますが、発振対策をしても±12Vなどで駆動する場合今度は発熱対策が必要です。9Vの電池1個でも使えなくはないですが音量が足りなくなります。2個の場合は発熱が問題になってくるでしょう。
OPA627と比べれば安い
1回路品しかないので、ステレオで使うには同じものがもう1つ必要です。しかし、OPA627よりは安いのでその分コストパフォーマンスは良いといえるでしょう。しかし、Zobelフィルタを組むことを考えると意外とパーツ代が馬鹿にならないものです。前述の実装の場合は、
- 酸金 @¥62×4=¥248
- 金皮 @¥74×2=¥148
- コンデンサ @¥43×4=¥172
- インダクタ @¥20×2=¥40
以上合計608円かかりました。今回は別板で作ったので端子や基板、スペーサのコストも掛かるのですが、アンプに作りこむ場合は考えなくてよいでしょう。それでもOPA627を2個買うよりは安くなります。
むしろ自己消費電力が問題になるレベル
24V駆動のcMoy回路では、外気温29.5℃に対してパッケージの表面温度が46.6℃まで上昇しました。
もしかして: THS4631 発振
試しに100pFで位相補償してみましたが、46.8℃と、全く発熱は収まりません。しかし私は
IC付近を手で扇ぐと冷ますことができます。
Zobelフィルタを別板に実装し、アンプとヘッドホンの間に噛ませてみました。22pFの位相補償を併用した状態では44.4℃程度まで上昇します。やはり熱いです。触ると「熱っ!」となります。データシートに記載されている自己消費電流から計算すると、30V駆動時2個で690mW消費します。
そこで、電源を9Vの電池駆動にしたところ(Zobelフィルタ・位相補償ありで)、温度上昇がずっと緩やかになり、外気温29.4℃に対して35.3℃までしか上昇しませんでした。やはりZobelフィルタをつけると発振が止まるようです。この条件で位相補償だけを外した場合、33.9℃で止まります。下手に位相補償をしないほうが良いようです。
【8/26追記】12VのACアダプタを持っているので、cMoyの12V駆動で追試してみました。すると、外気温29.8℃に対してパッケージ表面温度が38.1℃まで上昇するという結果でした。Zobelフィルタを付けていませんでしたがおそらく発振していないのかもしれません。発熱の原因は発振ではなく自己消費電力によるものだと考えられます。
発振について
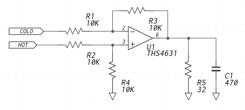
シミュレーション(LTspice)では、非反転増幅回路では発振せず、ボルテージフォロワでも安定でした。しかし、差動増幅回路では不安定になるようです。入力10kΩ、帰還抵抗10kΩ、負荷32Ω//470pFでは、約20MHzで発振しました。一般的なオーディオオペアンプでは発振しても数百kHzですのでものすごい周波数です。また、Zobelフィルタで発振が止まることも確認できました。
-
購入金額
2,484円
-
購入日
2016年05月頃
-
購入場所
デジット


ZIGSOWにログインするとコメントやこのアイテムを持っているユーザー全員に質問できます。