個人的に賛成です。
いろんなタイプのDACを取っ替え引っ替えして音楽を聴くのがPCオーディオらしい楽しみ方ではないかと思います。
トランス式USB-DACも一段落したので、ここらで以前から気になっていた、
「秋月電子のDACキットを使ったFET差動バッファ式USB DAC」
http://www.op316.com/tubes/lpcd/fet-dac.htm
の製作に入ろうと、ぺるけ氏の部品頒布プログラムで部品を調達しました。
これからじっくり時間をかけて製作の予定。
トランジスタ回路は初めてなので、うまくできるかどうか・・・
-
購入金額
8,470円
-
購入日
2013年03月30日
-
購入場所
個人販売(ぺるけ氏の頒布プログラム)
mr_osaminさん
2013/03/31
とりあえず、ぺるけ氏の頒布部品より、抵抗器の選別から。
50本近くあるぅ。
USB-DACのほうはサクっとくみ上げ完了です。
なにせ5作目なので、目をつむっていても作れます(嘘)
次はLPFの制作です。
その次は差動回路。
大丈夫かなぁ・・・(さっぱり自信なし)
mr_osaminさん
2013/04/04
頭の体操。
というか、頭の中がこんがらがってる。
週末、いよいよ製作に着手します。
mr_osaminさん
2013/04/07
あとはタカチのケースが届いてから、実寸に合わせて基板相互の配線を待つのみ。
ん~、疲れた(汗
mr_osaminさん
2013/04/10
トランス式USB-DACと比較して明るめの元気が音がします。
これはこれで捨てがたし。
mr_osaminさん
2013/06/17
今回は、ラグ板の実体配線図をユニバーサル基板に転用しての作例。
多少問題はあったものの、無事完成!
今回は、タカチYM-130に収納。
トランス式USB-DACと比較して音の自然さや音像の定位感は劣るものの、
トランジスタ回路特有の明るく力感あるサウンドは捨てがたい。
これはこれで推奨品です。
CR-Xさん
2013/06/27
20cmなら基板実装手直しすれば入りそうですね。
mr_osaminさん
2013/06/30
>あ、今回は自分用じゃないからHENじゃなくなった訳ですね。
あはは、はい、そうです。
ただ、実際にはタカスのユニバーサル基盤のサイズを決めてから取りかかったので、
ある程度、HENの10cmは無理だという予想はありました。
>20cmなら基板実装手直しすれば入りそうですね。
20cmだと、ラグ板での実装ですでに製作ずみなので、どちらにしても余裕で入ります。
HEN110415とかあればいいんですけどね~(笑)
FET差動バランス型ヘッドホンアンプも、20cmでギリギリだったのですが、
今度は、2階建てにしてHEN110612とかに入らないかなと妄想しています。w
mr_osaminさん
2013/08/15
すごくイイ音が出てくるようになりました。
最初はトランス式のほうが断然上と思ってましたが、肉迫してます。
それどころか、低音域がしっかり出てくるのでその点ではトランス式をしのぐかも。
部品も少なく、安価で製作できるのでオススメです。
もう1セット組もうか、な。
退会したユーザーさん
2013/09/28
エージングに半年も掛かる回路とは不思議ですね。
バランス出力で設計されているので、それをわざとアンバランスで
出力するからと思っていたのですが、他の方のブログを見ても
同様に、長期間(長時間という長さではないですね)のエージングで
音が変わったと書かれているので、何か根本的な問題が絡んで
いるとしか思えないのですが、回路の弱点を見抜く技量も
才覚もないので、解決できないのが残念です。
CR-Xさん
2013/09/28
素子も数が多いと余計そうなんですかねえ。
基板単位(いろんなパーツがそれなりに載ってる)の物ってそうなんじゃないですかね、
ワンダーピュア(共立のTA2020)1年ぐらいは音が育ちましたもの。
退会したユーザーさん
2013/09/28
mr_osaminさんがこちらで活動?されているので
ふらふらと迷い込んできましたが、登録して1日目で
見つけられてしまいました。
私は出来た物を買う方が少ないので、ものもちで
紹介できる物が少ないのですが、ある物をぼちぼちと
登録してみようかと思っています。
>コンデンサは規定電圧よりはるかに低いところで
おっしゃるとおりですし、自作アンプでもいろいろと経験しました。
音が通る所に電解コンデンサなど大きな物を付けると、
安定するまでに時間が掛かるようでした。
ところが、ここの場合は若干違っています。
肝心の電解コンデンサは「トランス式」の信号ラインに使われていて、
表題となっている「FET差動バッファ式USB DAC」には使われて
いません。
当然ながら、後者にも電解コンデンサは電源周りには使われていますが、
個数にして1個のみです。
それで変化するにしては時間が掛かりすぎるので、回路的に
何か問題があるのではないかと思ったのですが音的には
半年経つと「トランス式」を超えるそうですから、こういう物なのかと
納得するしかありません。
>ワンダーピュア(共立のTA2020)1年ぐらいは音が育ちましたもの。
デジタルアンプが、それほど時間が掛かるとは思いませんでした。
ぺるけ式ヘッドホンアンプに比べて、かなり部品点数が多い
「A1015/C1815フルディスクリート ヘッドホンアンプ」
http://nw-electric.way-nifty.com/blog/a1015c1815hpa.html
も製作しましたが、2週間程度で安定してきて、それ以降は
極端な変化は見られませんでした。
この経験があるので、半年というエージングが不思議でならない
のですが、私の知らない世界がまだあるという事だけは事実の
ようです。
退会したユーザーさん
2013/10/01
アートワークしてみます。
できるまでには、しばらくかかるかもしれませんが。
mr_osaminさん
2013/10/01
また、たかじんさんはディスクリート半導体にもエージング効果があるとブログで書かれていましたね。
>あまりに気にかかるアンプなので、今日か明日くらいからぼちぼちと
アートワークしてみます。
をを!
シンプルな差動回路です。利得も最小限。
出力段でバランス回路を組んでいるのが、スパイス利いてます。
FET差動プリと良く似ていますね。
退会したユーザーさん
2013/10/02
なので、どこで使おうか、というのがありまして。
別の箱に入れて、わざわざ単体で動作させているトランジスタ式ミニワッターに
入力するというのも無駄な気がしますので、ヘッドホンアンプとしては
結構気にいった音がでるので(当然、スピーカからも小ワット数で出せますが)
もう少し小型化して、上のラインアンプとUSB-DACも押し込もうかと
かなり無茶な考えが出てきています。
というか、そもそも、トランジスタ式ミニワッターはUSB-DAC出力から
直接入力する仕様なので、何か変ではないかと言われそうですが、
バッファアンプとして使うという手はどうでしょうか。
ただ、ラインアンプには24Vが必要でトランジスタ式ミニワッターは12Vなので
電源ユニットが必要ですね。
mr_osaminさん
2013/10/02
ぺるけさんのラインバッファ系は一律24Vみたいですね。
>直接入力する仕様なので、何か変ではないかと言われそうですが、
バッファアンプとして使うという手はどうでしょうか。
ですね。
FET差動プリ用のバッファアンプというとらえ方ができるんじゃないでしょうか?
退会したユーザーさん
2013/10/02
なるほど。それでいきます。
あと、エージングが遅い原因もだいたい分かってきました。
どうも、秋月のUSB-DACに何か問題がありそうです。
他のDACキットを使った方は、エージングが長期間かかり
変化がいつまでも続くといった報告がないようでした。
その何か、が知りたいのですが。難しそうですね。
>ぺるけさんのラインバッファ系は一律24Vみたいですね
ようかん型の24VDCアダプターを使って、内部に3端子レギュレータを
組み込んでミニワッターは12V駆動にします。
ミニワッターを24V駆動にしてしまってもいいのですけれど。
mr_osaminさん
2013/10/02
ただし、こちらを使うか悩ましいところです。
http://www2.famille.ne.jp/~teddy/pre/pre4.htm
平衡出力可能という点で、用途にもよりますがそのあたりが選択のポイントになろうかと考えています。
>どうも、秋月のUSB-DACに何か問題がありそうです。
あ、それは可能性ありそうですね。
これも、200時間エージング必要とか言われていて、DAC回路、チップそのもの
あたりが関係するのではないかと。
退会したユーザーさん
2013/10/02
部品点数が少ないのと、ぺるけ式アンプの基本形とも
いえる回路ですし、実際ヘッドホンアンプも作っているので
その初段だけと考えればいいわけですから、こちらの方が
簡単で楽です。
もっとも、不平衡ですが私の使用例では全く問題ありません。
逆に平衡が困ります。
>200時間エージング必要とか言われていて
まだ入手していませんが、様々なところで紹介されている
DAC回路をみても、水晶発振子の精度までこだわっているのは
いくつか例があるだけで
あまり注目されていませんよね。
周波数の変動が少なくするのは大変らしいですが。
秋月のは、すんなりと12MHzで発振してくれているのでしょうかね。
その周波数のゆらぎも、長期間エージングに関係している感じが
してなりませんが。
mr_osaminさん
2013/10/03
>簡単で楽です。
ぺるけさんの設計は、異常なほど部品点数が少ないので製作側にとっては
とても助かります。
DACのバッファアンプも平衡、不平衡両方対応しているので、不平衡だけ活かせば良いと思います。
>秋月のは、すんなりと12MHzで発振してくれているのでしょうかね。
わかりませんw
中にはもっと精度の高いパーツに交換している人もいるようですね。
そこまでお金かけるか?という問題は別として。
退会したユーザーさん
2013/10/04
mr_osaminさんは手馴れたことかもしれません。
とりあえず、USB-DACラインアンプ部分を自作基板で作るために
アートワーク開始しだしました。
まだ暫定的ですので、電源部分の事を忘れていたので
レイアウトなど考慮が必要なのですが。
ふと思いました。
私自身が自分で作るのであれば、小さくしすぎても手間かかるなぁ
ですみますが、mr_osaminさんが作るとすると、このサイズに
半田付けできますか?
見づらいと思いますが、おおよその寸法から推察してください。
mr_osaminさん
2013/10/04
>まだ暫定的ですので、電源部分の事を忘れていたので
>レイアウトなど考慮が必要なのですが。
ををを!
>見づらいと思いますが、おおよその寸法から推察してください。
以前はタカスのIC-301-72を使いました。
(69×95)
これとほぼ同じサイズですかね。
そうなると、タカチのYM150にばっちり入ります。
もしくは、HEN110420にもなんとか入りますね。
(HEN110412はちょっと無理)
なのでOKです。
はんだ付けも大丈夫です。
退会したユーザーさん
2013/10/05
> (HEN110412はちょっと無理)
自作基板ですと、ケースに合わせて基板を作るという
逆の事ができます。
肝心な事を忘れていました。
HEN110412
(W=111.2 H=43.6 D=120)
これに秋月のDACも入れるので無理すぎました。
基板のアートワークも見直してみたのですが、意外と
小さくなりませんでした。
幅は15mmくらい狭くなりましたが長い方は変わらずでした
おかしいですねぇ。もう少し発想を変えてみなければ
小型化ができません。
>はんだ付けも大丈夫です。
それを知って安心しました。
http://blog.goo.ne.jp/pyro100/e/258ec44b0a97bbed2732133f3...
これも楽勝ですね。
写真の上のところにちらっとパターンが見えます。
mr_osaminさん
2013/10/05
はい、その通りです。
これについてはすでに検証済みなんです。
タカチYM150はこの基板サイズならうまくはいります。
これについては、この記事の06/17コメントで紹介しています。
(記事中はYM130と記載していますが、誤りです。)
>おかしいですねぇ。もう少し発想を変えてみなければ
>小型化ができません。
タカスの基板で組めているので、工夫をすれば組み込み可能と思いますよ。
mr_osaminさん
2013/10/05
ラグ板は、部品間の距離があるので初心者には組みやすく、部品の交換も容易です。
が、プリント基板やユニバーサル基板で作りたくなるのはもっと小さいケースに入れたいという欲求が出てくるんですよね。
ちなみに、トランス式はおとなしめの音なのと低音域は少し不足気味なのに対し、
FET式は明るめで中低域もしっかり出ています。
前述したように、エージングには少し時間がかかるようです。
最近、あらためて聴き比べるとFET式もかなり良いと思いました。
部品も入手しやすく、コストパフォーマンスにも優れていて納得感がありますね。
JFETの選別が必要なのはちょっと面倒というくらいでしょうか。
退会したユーザーさん
2013/10/05
隙間が広いだけに作り易いのかもしれませんね。
そういえば初めて電子工作したのも雑誌みながら
ラグ板で作りました。
ぺるけ式ヘッドホンアンプVer2もラグ板で後から作って
みました。
どうしたことか全く楽しくないどころか、だんだんと
イライラしてきたのは何故だったのでしょうね。
自分でも不思議ですが。
>FET式は明るめで中低域もしっかり出ています。
なるほど。そこらを期待しています。
>JFETの選別が必要なのはちょっと面倒というくらいでしょうか
1度100個選別しておけば、とうぶんの間は用事ないですし。
もっとも1時間はこえますが。
時間あるときということで、ちょっと見直してみました。
最初のにくらべて、この程度小さくなりましたが、まだ全部を
チェックしていないのでパターンの間違いがあるかもしれません。
退会したユーザーさん
2013/10/05
取り付け穴の位置が上下で若干ちがっているようなので
後で修正します。
もっとも、パターンチェックと角を丸くする作業が残って
いますので、ここからが意外と長いです。
1度試作してみなければなりませんが、Mini Watterは
24V仕様にしたいと思っています。
前の基板で回路定数など試す事になると思います。
退会したユーザーさん
2013/10/06
これでいいかなと思ったら、ここが今ひとつということで
どこで妥協するかということになりますが。
とりあえずこれでどうでしょうか。
mr_osaminさん
2013/10/06
ラインバッファ->MiniWatterと言う流れですか?
↑
USB-DAC とつながればOKですねぇ。
電源部も組み込まれているわけですね。
で、どちらも24Vと、
退会したユーザーさん
2013/10/06
作例のひとつという事です。
パターンを若干修正しました。ベタの部分が増えています。
ラインアンプも、左右の回路を横に並べるのではなく
縦の方がケースに収めやすいかもしれないので、
その時々に応じて変えます。
ちょっと気になるのはFET差動バッファ式USB-DACと
MiniWatterでは、DAC出力からのフィルター回路が違っています。
詳しく比較していないのですが、何が違うため回路が違うのでしょうか。
ご存知ないですか。
HEN110420にUSB-DAC(秋月)、ラインアンプ、MiniWatterと
並べてみるのも面白いかなと思っています。
もっとも、ラインアンプは本来不必要ですので、それを付けないと
奥行きが、秋月USB-DAC(42mm)隙間(3mm)MiniWatter(60mm)と
HEN110412でぎりぎり入りそうです。
MiniWatter基板はネジ穴の位置を変更すると横幅が83mmほどになるので
余裕とにらんでいます。
>電源部も組み込まれているわけですね
ラインアンプのプラス電源側の抵抗と電解コンデンサを忘れていたので
無理やり押し込みました。
片面基板なのでジャンパー線が3本ひつようです。
FETの間にも電源用のを通さなければならなくなりました。
基板上なのでFETを付ける前に抵抗のあまった足を使えば
干渉することはないと思います。
基板のめどは立ったので、24V化MiniWatterの実験をしなければ
なりません。
HPA-12や電子ボリュームなど作るものは山積なのですが。
mr_osaminさん
2013/10/06
>ちょっと気になるのはFET差動バッファ式USB-DACと
あれ、ホントですね、FET差動のほうにはフィルタについてとくに解説はありませんので、どういう意図があったかちょっとわからないです。
>もっとも、ラインアンプは本来不必要ですので、それを付けないと
>奥行きが、秋月USB-DAC(42mm)隙間(3mm)MiniWatter(60mm)と
>HEN110412でぎりぎり入りそうです。
ですね、つまりはMiniWatterなわけですからw
>HPA-12や電子ボリュームなど作るものは山積なのですが。
あはは、私も現在奮闘中です。
退会したユーザーさん
2013/10/06
解説ページをいろいろと見て回っているのですが、それについての
説明がありません。
このままでも問題なさそうですが。
>ですね、つまりはMiniWatterなわけですからw
秋月USB-DACとMiniWatterを使うだけなら、別に12Vで十分
なのですが。
面倒な事をしていたら、他の事が進まなくなるので
思案しています。
mr_osaminさん
2013/10/08
http://ameblo.jp/h-and-l2/entry-11628594567.html#main
意外と少なかったりします。
退会したユーザーさん
2013/10/09
見事に収めていらっしゃるようですね。
よくよく考えてみますと、秋月USB-DACはパソコン側から
電気を貰うのでしたね。5Vを作る必要がないのでした。
とりあえずラインアンプと、おまけで、MiniWatterのアートワークまで
終わらせましたが、個人的には利用方法が限られる物なので、
興味はあるものの工作の労力と他の山積している物と比較すると
重要度が低くなってしまいます。
そして、あまり小さく作り過ぎると音的に伸びとか広がり感が薄れると
指摘された事があったのですが、最近、それも正しくないなと思いました。
リンク先の方のように、大きめの基板の方が良いかもしれませんが、
こればかりは作って比較してみなければわからないのも事実です。
(最初に作ったVer2のYM-150ケースのぺるけ式ヘッドホンアンプと、
YM-180に収めたVer3の同アンプでは差を感じましたが、
Ver2をVer3にしたのと、張り合わせ基板で作ってYM-150に組み込んだ
Ver3同アンプと、YM-180のVer3の大きな基板と大差ないように感じました。
ましてや、超小型のも作成しましたが、今聞いても違いが分からなくなって
きました。)
mr_osaminさんがあくまでも独自でパターンを引いて基板も作って製作される
のであれば、私はここで終わる可能性が大きいですが、
私のパターンで作られるのでしたが、間違っていないとは断言できないので
1度は試作してみないといけませんので予定が変わってしまいますが、
どうされますか。
mr_osaminさん
2013/10/09
>電気を貰うのでしたね。5Vを作る必要がないのでした。
はいその通りです。
>mr_osaminさんがあくまでも独自でパターンを引いて基板も作って製作される
>のであれば、私はここで終わる可能性が大きいですが、
ようやく、HPAのケーシングが終わり、一段落したところでして、
次の構想を練っている最中です。
>1度は試作してみないといけませんので予定が変わってしまいますが、
どうされますか。
なんだか無理を言っているような感じで申し訳ないです。
実は、職場の同僚にユニバーサル基板で製作を指示w、しているのですが、
ちょっとハードルが高そうです。
なので、自分でプリントパタンを引いてみようかなと考え始めたのがそもそもの始まりです。
もし、まるはさんさえ差し支えなければ、一度製作してみていただきたいのですが、
まったく不要ということでしたら申し訳ないですし、
急ぎという話でもないので、その点判断はお任せします。
退会したユーザーさん
2013/10/09
いそいでアートワークしたので、何か釈然としないものが残っています。
こういうときって、必ず間違いがあるのですが、頭が沸いているときは
見つけることができません。
そして基板作って部品を取り付けているときに発見して、やれやれ困った
となることがあります。
仕事と違って期限がないのが趣味の世界ですが、それを良いことに
先に先にと延ばすと気づいたら1年なんてはやいですから、
なるべく早めに仕上げてみたいと思いますが、多大な期待は
勘弁願います。
>実は、職場の同僚にユニバーサル基板で製作を指示w、しているのですが、
>ちょっとハードルが高そうです。
部品の取り回しが独特なので、交差する部分がいくつか出てきます。
ここが最大の問題ですね。
意欲ある方がいらっしゃるので、こちらもやる気をいただいて
進めたいと思います。
mr_osaminさん
2013/10/09
>ここが最大の問題ですね。
実際に製作してみてわかってくることも多いですよね。
>意欲ある方がいらっしゃるので、こちらもやる気をいただいて
>進めたいと思います。
はんだ部の音女さんがターゲットですw
退会したユーザーさん
2013/10/10
なるほど、いろいろと需要があるようですね。
ただ、1台目ができないことには増産?は無理ですから、
地道なチェックをぼちぼちとしていくことにします。
退会したユーザーさん
2013/10/17
アートワークの確認作業をしてみました。
何かひっかかる所があったのですが、予感は当たるものですね。
ラインアンプは、出力側のグランドは、仮想GNDにつなぐのに
マイナスのラインに繋ぐようになっていました。
基板上で穴を1個開けなおせばすむことですが、間違いは間違い
なので訂正しました。
MiniWatterは、LPFを忘れていました。
上のラインアンプとMiniWatterではLPFが違うのが謎ですが
公開されている回路どおりという事で、こちらは部品が少し多く
なりました。
基板は同じサイズのまま、隙間に組み込むようにしました。
これで大丈夫と思いますが、作り出したら、あれ?っていう事が
しばしばあります(笑
mr_osaminさん
2013/10/17
>ずっと他の事をしていたので、頭を切り替えるために
>アートワークの確認作業をしてみました。
>何かひっかかる所があったのですが、予感は当たるものですね。
こういうこと、ありますね。
少し時間をおいてあらためて眺めてみると、アレ?ってことが。
少し寝かせて熟成させておくと良いようです。
>これで大丈夫と思いますが、作り出したら、あれ?っていう事が
>しばしばあります(笑
これもありますねぇ、実際手を動かしてみてわかることってたくさんあると思います。
退会したユーザーさん
2013/10/23
注文忘れが各所にあって、すべて揃わないのですが
そもそも基板がないと作れないので、試作することにしました。
お約束どおり(コレコレ)随所にミスが見られました。
写真の赤いのは、トナー焼付け不良で、ピンホールができるので
そのために水性塗料を筆塗りしたところです。
こういう作業をしたくないのですが、安く作ろうとすると
どうしても無駄な作業を行わなければならないので
いまひとつ、といったところです。
あとは穴あけて、磨いてトナーを落としてフラックス塗ってと
まだまだ工程が続きます。
mr_osaminさん
2013/10/23
>写真の赤いのは、トナー焼付け不良で、ピンホールができるので
>そのために水性塗料を筆塗りしたところです。
いろいろとノウハウがあるものなんですね。
ここまできたら、是非完成まで持って行ってください!
退会したユーザーさん
2013/10/31
作る計画に変更しました。
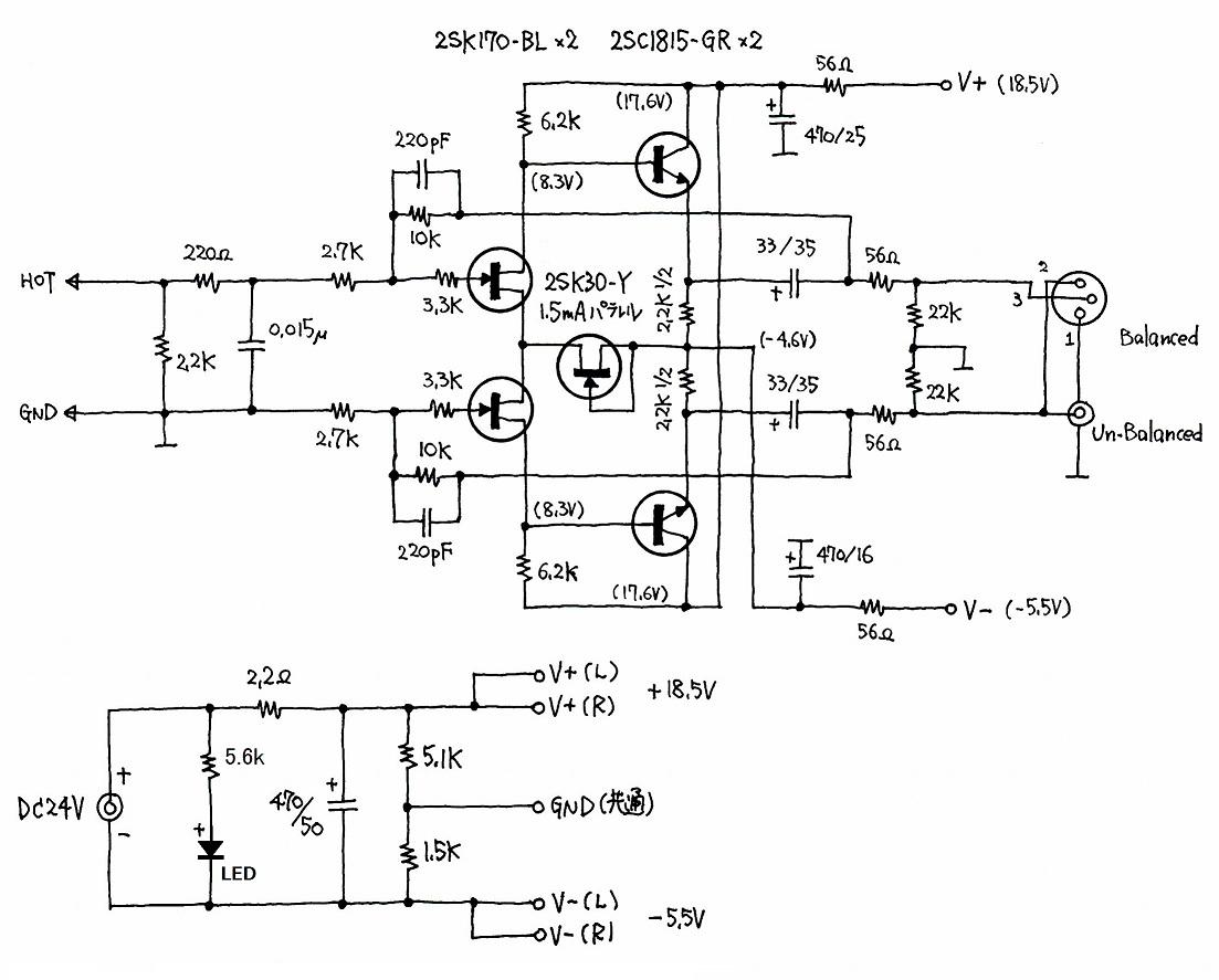
さて、ぺるけ式ラインアンプは、こういう風になります。
これまた3.3KΩ、4本と、220Pのフィルムコンデンサ(田舎の店に
こんなもの売っているわけないのですが、通販注文しわすれました)が
ありません。
あと、耐圧50Vの470μFは、秋月に注文したのですが、巨大な物が
届いて、基板にはいりませんでした(笑
定電流用の2SK30は手持ちで3mAのがあったので、つけました。
丸い型のは、もう売っていない物ですね。
さて動くのはいつのことやら。
mr_osaminさん
2013/10/31
マイペースで良いんじゃないですか?
>あと、耐圧50Vの470μFは、秋月に注文したのですが、巨大な物が
>届いて、基板にはいりませんでした(笑
通販だと実際にモノの大きさを確認できないところがネックですね・・・
しかし、50Vって必要なんでしたっけ?
退会したユーザーさん
2013/10/31
HPA-12は、とりあえずまな板仕様で動いています。
Vol-12はICが無いので進まないため、次はセレクターです。
>マイペースで良いんじゃないですか?
突貫工事なので、余裕がない状態です。
時間あるときに作らないと今年中に終わりそうにないですが、
部品発注不足やら、店に在庫が無いなど、支障ばかりです。
ちなみに、この基板はmr_osaminさんのですけれどね。
>しかし、50Vって
24V電源なので、ぎりぎりで耐圧25Vですし
余裕もって35Vでしょうね。
2200μF /35Vも、背が高すぎて余らしていましたが、
やっと他の電源で使う事ができましたので、470μF/50Vも
どこかで使い道があればいいのですが。
退会したユーザーさん
2013/11/10
繋いで音を出しました。
2SK170のゲートに繋がっている抵抗を
うっかり1.8KΩにしていたので、音量が
大きくなりすぎたようでした。
本来は2.7KΩでした。
mr_osaminさん
2013/11/10
ををを!進捗していますね。
遂に出音ですか!
最初はその場で捨ててしまおうかと思える音が出ます。
エージングは時間がかかると思われます。
>うっかり1.8KΩにしていたので、音量が
>大きくなりすぎたようでした。
>本来は2.7KΩでした。
バランス出力回路も備えているのですが、アンバランス出力では比較してゲインが下がると解説されていますね。
それを補うために、1.8KΩのオプションが指定されていたかと思います。
ちなみに私は1.8KΩ仕様です。
退会したユーザーさん
2013/11/13
>エージングは時間がかかると思われます。
これが不思議でなりません。
デバイスのエージング?に、極端に長い時間がかかる
のは、いったい何が原因なのでしょうか。
動作させてから丸3日たちましたが、全く変化が
みられません。
>ちなみに私は1.8KΩ仕様です。
その選択枝で正しかったので安心しました。
mr_osaminさん
2013/11/13
逆プラシーボか?w
けれど、次第にしっとりと落ち着いた音調になってきます。
1年経ちましたけど、私的にはGood!なんですよ。
不思議ですねぇ・・・
退会したユーザーさん
2013/11/13
パソコンに繋がっているので数十曲をエンドレスで鳴らして
丸3日ですが、これからどれほど時間がかかるのでしょうね。
MDF板が机の上で邪魔なので、そこらにあったタッパウェア(大)に
入れ替えたのですが、良い兆しがあるようであれば、まともな
ケースに入れようと思うのですが、3日ごときでは足りないとなると
先行き不安です。
mr_osaminさん
2013/11/13
いえ、私の場合はサブで使っているので、それほど使用頻度が高かったわけではないです。
そういう意味です。
ちなみにメインは、トランス式です。
退会したユーザーさん
2013/11/14
24時間連続で動かしているので、3週間ほどすると、
似たような動作時間になるのでしょうか。まだ4日目ですが。
ほかの部品を探している途中で、24Vのトランスと3端子レギュレータを
付けた基板をみつけました。ほかで使う予定だったのが変更になって
そのままになっていたものでした。
LM317なので3.3V用を2個と24V用を1個に改造しました。
出力側はコモンフィルタを付けていますが、入力側に何もないので
基板裏の余ったパターンを切って、電解コンデンサと抵抗を使った
簡易リプルフィルタにしておきました。
ただ、トランスが1個しかないので、3.3V系は12VDCアダプターから
電気を供給しました。
これで、デジタル系とアナログ系の電源を分けることができます。
とりあえずのバラック状態なので、好き勝手ができますが、
AKI-DACのパターンを1ケ所切って電源ラインを分けて、
そこにつないでみました。
なるほど、違ってくるようですね。電源の安定化と、デジタルノイズを
アナログに回り込みにくいようにするのも、ひとつの手ですね。
そして、ラインアンプも、電源容量が大きいせいか、より安定した
ようですが、こちらの電源ラインにもリプルフィルタを入れた方が
いいかもしれません。
>ちなみにメインは、トランス式です。
はたしてこれで、どこまでトランス式に近づける事ができたので
しょうか。
ただ、私はトランス式の音を聞いた事がないので
判断する事ができませんから、自己満足の世界だけです。
mr_osaminさん
2013/11/14
すばらしい!
>なるほど、違ってくるようですね。電源の安定化と、デジタルノイズを
アナログに回り込みにくいようにするのも、ひとつの手ですね。
良いことはあっても悪くはならないと思いますよ。
私も現状、5V系はUSBアイソレーターを挟んでいます。
たぶん、2,3週間はエージングが必要ではないかと思います。
>はたしてこれで、どこまでトランス式に近づける事ができたので
しょうか。
>ただ、私はトランス式の音を聞いた事がないので
>判断する事ができませんから、自己満足の世界だけです。
どちらが良いとかそういう感じではないですね。
性格の違いです。
トランス式は、わりとおとなしいというか自然な鳴り方です。
クラシックはとても良い感じで鳴ってくれます。
一方、FET式は元気な鳴りっぷりで、低音もしっかり出てきて現代的。
POPSやJAZZなどに向いていると思います。
退会したユーザーさん
2013/11/15
>クラシックはとても良い感じで鳴ってくれます。
なるほど。全く逆の方向に進んでしまいました。
ラインアンプは電流が少ないので、200mAから500mA
くらいで、2次出力が20V、できれば18Vのタップ付きの
電源トランスを使って、電解コンデンサと抵抗の
簡易リプルフィルターを付けると、思ったような音に
なるのではないでしょうか。
ただ、出力電圧が高い場合を考慮して、18Vのタップに
付け替える必要もありそうです。