秋月電子のRGB LEDが、ASUS AURAで使えなかった。
フレッドボードまで買ってノリノリで接続してみたのに・・
PCのピカピカアイテムで困った時のエーモンさんにお願いしてみました。
こいつなら、既に抵抗も付いているし見た目が悪いが手直しすればいいだろう!
結果・・・・光らね~><
もう一度、両方の説明書を良く読む
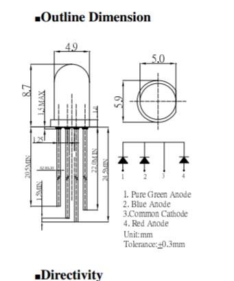
秋月電子RGB LED
エーモンRGB LED
両方ともRGBに+が入って、マイナスに流れている・・・
ASUS AURAのRGBヘッダーの説明書を見てみる@@
12Vが+で、RGB・・・
それから、色々と調べてみると、RGBヘッダーの方は、アノードコモンというらしい!
秋月電子やエーモンで購入したLEDはカソードコモンで、RGBの方がプラス。
試しに+とマイナスを反対に配線してみると、
光った~~!
LEDは抵抗と一緒なので、電流の向きが決まっているから、大量に購入してしまったLED達は、PCで普通に光らせる事は出来るが、Aura Syncは出来ない事が判明した瞬間だ( ゚Д゚)
アノードコモンのLEDを探してみると、秋月電子では既に廃盤(LEDテープなどの角型チップはある)。
私の探し方が悪いのか、エルパラとマルツとebayでチャイナから輸入と、日本での入手経路の少なさに愕然とする。
普通に砲弾型RGB LED買ったら、みんなカソードコモンじゃねーかw
取り敢えずエルパラで5mmRGBフルカラーLED 乳白 AnodeCOMを購入する。
こいつを光らせる戦いは続く・・
-
購入金額
0円
-
購入日
2017年01月30日
-
購入場所








kaerkiさん
2017/01/30
つか基盤に組む前に設計図を作らないとw
私もかつて若き頃7セグLEDの逆論理を注文してしまい
抵抗を沢山付けて逃げ切った事があります。
あ、でも私は設計図は作りました。でもでも設計がド素人でしたw
失敗は成功の基。
次のレビューこそ「IYH~!」を聞きたいです!
hidechanさん
2017/01/30
車弄り上がりのLED光らしだと、アノードコモンなんてLEDがあるなんて思いもよりませんでしたw
20個以上のカソードコモンRGB LEDが余ってしまったので、久しぶりに車をピカらせようかな^^
設計図@@
そもそも、黒に黒、青に青って配線繋げば光るでしょ?!
って思っていた私には思いつかない思考でした><
kaerkiさん
2017/01/30
なのに何故CPUを虐め倒せるのかw
hidechanさん
2017/01/30
私は感覚派だから、感じろって感じです(*´▽`*)
それで一回X79のマザー焼き切っちまいましたw
そこから、テスターは一度通してやるようにしています@@
今回もテスターしてみたらRGBの方がマイナスだったんで、LEDの諸元表をみてみておかしいな~って思っていたんですよね・・
それでアノードコモンという言葉を覚えました(*´▽`*)