パイオニア U-24 プログラムセレクター
プリアンプ2台になったのですが、システムを2系統というわけにもいかず、さりとて手でいちいちケーブル入れ替えてるのも何なので、プログラムセレクター(早く言えばスイッチボックスです)を購入してみました この手のものは現在は販売されていないのでモチのロン...中古です。
仕様ではPhono3系統、AUX2系統、Tape入出力4系統、Power Amp3系統の接続が可能です また、Tapeデッキは1~4まですべての組み合わせのデュプリケートができますといってもテープデッキなんて持っていませんけど ですが....仕様ではコントロールアンプ(プリアンプ)は1台しか接続できないのです。
接続できるアンプは1台 で 手持ちのアンプは2台....
タコシーさんはこの問題にどう対処しようとしているのでしょうか?....Before~After?...
1980年頃の発売品ですが美品で内部も状態は良かったです スイッチ類の接触不良は全くありませんでした 外筐に傷もなく使われていた方の使い方が丁寧だったと思いますね。
RCA端子の下にアースターミナルが見えますが基板のアースとは浮いています
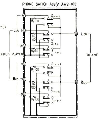
取扱説明書の接続図 プレーヤー3台、チューナー2台、テープデッキ4台、パワーアンプ3台
それらをコントロールアンプ1台で切り替えます
端子の下の丸い摘みはアース端子です 6個もありますが使わなくても大丈夫でした
このRCAピンジャックの脱着の硬いこと...パイオニアのピンジャックは寸法が違うのか
前面パネルからアルミ筒状のシャフトで奥の基板スイッチを切り替えます ちょっとこれには驚きました 信号線を引き回さず入力端子付近で切り替えるという目的なのでしょう。
スイッチとシャフトでは振動や外力で基板の半田抜けが考えられますが半田の状況は良好でした
フレキは半田が抜けて結構接触不良になるものですが全く正常でした
解決策
① プレーヤー入力3か所に、今回は2台のプリアンプ出力からINPUTしました
② 3台分のパワーアンプ出力に今回の2台プリアンプ出力を入力してプリアウト入力から出力します
③ 2台分のAUX入力で今回の2台分のアンプのメーター出力を切り替えます
出力を入力に、入力を出力に使うということです まだ残っているポジションがありますが各アンプ出力を切り替えてPC側の録音入力へINPUTする機能に使う予定です。
実際の使い方はプレーヤ出力を右側(AMP)につなぎ左側はアンプ接続です
↓私の接続方法は....図面表示を無視して、プリアンプを通った信号は右側(POWER AMP)に入ってセレクトされ、左から出て、ヘッドホンアンプに流れます ヘッドホンに入った信号は同時にパワーアンプであるレシーバーに供給されSPから音出しするときはレシーバーの操作をします(面倒くさい...) 実際の回路図の使い方とは違いますよ。
このセレクターはプレーヤー3台、アンプ1台の使用環境設定でTUNERやテープデッキ4台を切り替える目的で企画されたようです 私は逆に、アンプ2台とプレーヤー1台の切り替えでも切り替えは可能との考えに至り製品購入しました 現在を予想してたのか(いやいや)エコロジーで電気を全く使っていません(スイッチボックスですから...) スイッチだけというのは入力=出力に為るわけです。
操作はスイッチのみです ただプレーヤーが逆接続になってハム音は出ないかと心配してましたが、1点アースでハム音は全く出ませんでした 私はプレーヤー、アンプ2台のアースを一か所に落としています(TA-E86のアース端子で接続です) やや惜しいのは端子類に金メッキが使われていませんですが、当時は金メッキ端子は普及する前でしたね それとRCAコネクターの径がやや大きいのか錆なのか、渋かったです これはかなりきついです。
現在は
プレーヤー1台とプリアンプ2台の切り替え 、 VUメーター切り替え(AUXで切り替えています)
それとプリアンプ2台出力をパワーアンプ切り替え部で使っていまして、切り替えてヘッドホンアンプに信号流しています。
電気を使っていない(信号方向がワンウエイのアンプ段やバッファー段が無いので)のでIN/OUT逆接続も可能です。
こういう切替機はスイッチの接触不良が多いのですが、この機械は全くありませんでした
大型のスイッチを使っています 部品的には良いものを使っているようです。
高さはどうかなと寸法測って気をもんでいましたが結構スルりと入りました
右側ケーブルは2台のプリアンプ切り替えです
後部ケーブルは左からプレーヤー切り替えとメーター切り替え(AUXファンクションで切り替え)
ケーブルも新しくしたい訳ですが。
当時定価2万位でしたが手抜きもなく作りは良いです
プレーヤーでノイズを拾わないかと心配してましたが全く杞憂でした その時いろいろやっていたら
STAXヘッドホンのアンプ用電源トランスからの電磁波漏れがすごくてMCカートリッジで拾っているのを確認 トランスをアンプから1m以上離して解決しました。
パイオニアのデザインは一寸泥臭い感じがして好きではなかったのですがこのセレクターは素直な
(というかオーソドックスだが、他にやりようもなかったのでしょうが)デザインで良好ですね 作りも堅実な感じです。
最近修理しました...
-
購入金額
7,000円
-
購入日
2018年10月頃
-
購入場所
ハイファイ堂

















ZIGSOWにログインするとコメントやこのアイテムを持っているユーザー全員に質問できます。