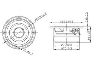
high- 205mm,
width-130mm,
deep-195mm
インピーダンス 4Ω
許容最大入力 20W
マイクロコンポの ビクター UX-T100
1999 19,800円
付属スピーカー
Victor SP-FS1のスピーカーユニットと同じ物
非常に低価格コンポのスピーカーだったので、余り期待はしてなかった
のですがSP-FS1よりエンクロージャーが大きくフロントバスレフなので
やはりSP-FS1より重低音とは言いませんが低音がでました。
SP-FS1は桜材で造られたエンクロージャーなので人気が有りますが
SP-UXT100DはMDFボードなので1/3程の値段で競争相手は
いませんでした。
それでもネット、ユニット凹み、傷も無く、スピーカーエッジも
結構柔らかく前のオーナーが大切に扱っていたのが判ります。
そんなスピーカーを少し改造します。
理由は細いスピーカーケーブルが背面から直接、ブタのしっぽの様に
出て来ているからなんですがスピーカー取り付けネジがカバーで
ネジを隠しているので接着剤を溶かすのが億劫だったのですが
SP-FS1のHi-Vi M3Nの換装もひと段落したので着手。
スピーカー取り付け周りが薄いので100均のMDF材でリングを作って補強
スピーカーターミナル
内線ケーブル
どうにかしてエンクロージャー内の補強
私の大きな手は中には入りそうもないので補強板なんか入りそうもない
けど今からいろいろ考えながらやります。
-
購入金額
1,000円
-
購入日
2013年10月頃
-
購入場所
ヤフーオークション









インディアンヘッドさん
2014/04/01
貧弱なので補強の為の素材探しとテストをやって
いるのですが、「これだ!」と言う物が見つからず
ScanSpeak 5cm等に手を出した物だから収拾が
つかなくなって来ました。
それで取り敢えずこのVictor 8cmフルレンジを100均の
1.8Lガラス瓶に移植。
スピーカーターミナルも穴を開けて取り付けたので他の
スピーカーに交換も出来る様にしてます。
黄色いボンボン、ピンク色の蓋で結構ポップ調、エンクロ
ージャーとしてはガラスが厚くしっかりしていますが、少し
ボリュームを上げると音が暴れる様なので吸音材として
小片の竹炭を入れおちつかせてみました。
戸澤式吸音レゾネーター、和紙で作ったテトラパックを
2~3個入れるのも良いかも。
少し暇ができたら1~2cm径のゴムホースをダクト代わりに
したら低音が稼げるかも。
インディアンヘッドさん
2014/04/11
ただ今制作中のScanSpeak 5cm用エンクロージャーが終わったら
実験として余ったSP-FS1の4ΩユニットとSP-UXT100Dの4Ωユニット
を使ってタンデム型に出来るか思案中
インディアンヘッドさん
2014/04/26
ただ今。乾燥待ち
100均のエポキシパテをエンクロージャー内の
スピーカーユニット取り付け周りに盛ってMDF材
補強にしました。10mm厚
もう一個使って12mm厚にしたいがスピーカーの
音を塞いでしまわないかちょっと不安。
先ずは、様子見。
次のステップ
低粘度エポキシ樹脂をスピーカーユニット取り付け周りに
塗ってカチンカチンにする。
これで極力、バッフル板の振動を抑え込むのが目的。
どんな風に変化するのか楽しみ。
インディアンヘッドさん
2014/04/27
100均のエポキシパテが乾燥したので
今日の午後、エポキシGM-1508 をスピーカー取り付け口
周りの塗って見ました。
MDF材に随分浸透している様です。
もう少し乾燥させてみたいと思います。
インディアンヘッドさん
2014/04/28
丸一日、乾燥させてみました。
期待通りカッチカッチ、ただし表面が凸凹
ザラザラなのでやすり掛けが必要。
明日にでもやってみます。
SP01.jpで以前購入していたFountek FE85 3"インチ
か元の4Ωユニットか思案中
1.5Lエンクロージャーだと
Hi-Vi M3N 3インチユニットと大体同じ様な
感じに鳴ってくれるとすごくHappyになるのですが。
インディアンヘッドさん
2014/04/29
スピーカーユニット取り付け周りをルーターで平らにして
Fountek FE85 3"インチはネジ穴は同じですがマグネット
が大きくて入らないので72mmまで拡げて取り付けてみようと
しましたがネジが有りませんでした。
3x10mmのネジを買いに行くにはもう遅いので他の短いネジで
仮止めして音出し。
おい、おい、ど~なってんだ???
まだ慣らし中なのに改造Victor SP-FS1より上行ってます。
エンクロージャーとダクトの特性をざっと調べてみました
バスレフ型スピーカー「共振周波数の計算」
http://www.diy-sound.net/bassref_calc.html
空気室の幅 11cm
空気室の奥行 17cm
空気室の高さ 18cm
3366cm3
ダクトの長さ 15cm
ダクト直径(丸)2cm
ダクト断面積 3.14cm2
共振周波数(丸) 41.855Hz
Sound Disposition Labさんの
http://sound.jp/musicyou/page048.html
周波数別試験音源
でも改造Victor SP-FS1より低中高どの音域でも
良く鳴ってくれます。
もう少し鳴らして、なるべく早めにネジ、新しいスピーカー端子、
内部ワイヤーを交換するつもりです。
インディアンヘッドさん
2014/06/09
今、お気に入りの改造Victor SP-FS1よりももっと良い音を
目指して
Fountek FE85を入れることに下のですがどうにも
このSP-UXT100DエンクロージャーのMDF材
10mm位しかないので補強とスピーカーの防振動に
横に突っ張り板を挿入
これでどんな変化を起こすか実験
インディアンヘッドさん
2014/06/10
補強板をの効果は?
音量を上げて聴く事は無いので
気休め、自己満足なのでしょう
Fountek FE85
インピーダンス 8Ω
音圧レベル 85.7dB
再生周波数帯域 100~25,000Hz
Hivi M3N
インピーダンス 8Ω
出力音圧レベル 82dB
再生周波数帯域 91Hz~18,000Hz
M3Nの方はVictor SP-FS1で少し小型ですが低音が出ています。
FE85のSP-UXT100Dは全音域、勢い良く普段使い
後は内配線とスピーカー端子をどうしよう。
インディアンヘッドさん
2014/06/14
面白そうなサイトを見つけました。
白須のブログさん
http://d.hatena.ne.jp/arcs2006/20120503
SSマグネ・チャージ
手持ちの100円ショップの磁石での実験
ヘッドフォンジャック
イヤホンジャック→RCA→NFJ YDA138→改造Victor SP-UXT100D
S極を反発する様に洗濯ばさみで取り付け
以前は
ソフト Sound Blaster CINEMA ボリューム99%
NFJ YDA138 ボリューム100% ホワイトノイズ 有り
ボリューム3時方向 ホワイトノイズ 無し
普段1.5~2m ボリューム10時or11時
白須のブログさんの言われている様な
音質が良くなった、音域が拡がったとかは良くわかりませんが
ボリューム100% ホワイトノイズ が随分減った
ガウスの高い強力磁石は逆効果 (ネオジューム)
磁石除電の特許にはイオン等の中和ではなく、静電気を磁石で吸取るとあります
吸取り過ぎると余ったエネルギーで静電気を発電する
発生した静電気に見合う磁力・磁界で中和させてるのがポイントのようです。
ネオジュームは余分に持っているのですがなので今日ダイソーに行って
磁石を買って来て他の場所にもつけてみようと思います。
インディアンヘッドさん
2014/09/20
Victor SP-UXT100D 最終
金メッキスピーカーターミナル取り付け
少し太めの配線
金メッキ平型端子
スピーカー取り付け口にフェルトを貼り付け
突っ張り棒
音量を上げた時、エンクロージャーの振動を少しでも少なくする為
振動が有った方が低音が出やすいのも有りますが、変なボヤケタ音が鳴る
より締まったクリアな方が好みなので。
もし心変わりで元のユニットを入れるかもしれないので 棒の両端に
マスキングテープを3枚ほど貼り付け微調整し前面バッフルの補強材まで
手で引っ張り上げ横が真っ直ぐになる様にした、スピーカーを取り付けると
スピーカーの底面が突っ張り棒のクッションにあたり徐々に奥に行くように
これで前面スピーカーフレームはバッフルにネジで固定され後部は突っ張り棒
で固定された状態になる。
スピーカーフレームは振動が無くなり駆動部だけになりスピーカー本来の
性能を引出してくれる。それ程良いスピーカーではないが色々なスピーカー
を試して行きたいので、特にSP01のMN7201がまだ手付かず。
聴いた感じ、以前より低音が出てないかな?同じくらいかな
Fountek FE85
インピーダンス 8Ω
音圧レベル 85.7dB
再生周波数帯域 100~25,000Hz
性能なので低音は期待していないので、このユニットは特徴は中高音域、
期待道理、以前よりギター、ボーカル、ハープを生々しく鳴ってくれて
細長いフロントダクトなので低音域も良い感じ。
これでVictor SP-UXT100Dは終了、次は???・・・・・
ついこの間手に入れた密閉 9L エンクロージャーのMarantz LS144
全く資料が有りませんでしたが500円でしたので実験にはもって来い
SP01のMN7201を取り付けても面白いかも