ところが、ちょっと大容量のデータをやり取りしようとすると、意外と手段は少ない。
私の使っているAcerのW500に当てはめ、ちょっと思いつくところでは。
1.USB経由のHDD等の大容量ストレージ(数百GBからTB)
2.SDカード(数GBから100GB程度、SDXC対応済み)
3.USB経由の光学ストレージ(数GBから100GB程度)
4.無線LAN経由での外部ストレージ利用(数GBから100GB程度)
となると思います。
今回レビュー対象となるアイ・オー・データ機器様の「ETG4-US2W」は
5.無線LAN経由での外部ストレージ利用(数百GBからTB)
を実現してくれる新たな手段となります。
無線LANと比較してどの程度性能が向上するか、楽しみです。
見た目はMacに似合いそう、扱いもカンタン。
収められています。
商品構成としては、本体と取り扱い説明書、ドライバCD-ROMとなります。
本体の見た感じは艶やかなホワイトで、USB端子部分はMacに似合いそうな仕上げに
なっています。
使用にあたっては、ドライバのインストールが必要になるので、外付けドライブより導入
することにします。
ここで若干注意、ドライバインストールの際に製品を取り付ける必要があるので、仮に
USBポートが一つしかないPCの場合は、ファイルをあらかじめPCにコピーする必要が
あるでしょう。
インストールそのものは、全くカンタン。
インストール完了すると、PCの再起動を求められます、再起動しなくとも利用可能ですが、
ダイアログが2枚最上位に居座るので、素直に再起動するのが吉でしょう。
ちなみに、ネットワーク機器の中にはLINK速度によって、LEDの色が変わるものもありますが、
本製品は、LINK時に常に緑色点灯です。
消費電力は5V 300mAとのことで、使用中はほんのり暖かくなります、Gigabitアダプタと
考えれば省電力だと思えます。
無線LAN比 3倍速か!
上記W500に加え
が参加しています。
★☆ 無線LAN接続 ☆★
まずは、基本の構成
NJ5700(有線) <--> WHR-G301N(有線) <--> WHR-G301N(無線) <--> W500(内蔵無線)
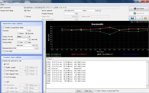
です、測定にはjperf 2.02を利用しました。
物理アダプタを使用しないローカルループバックでは平均470Mbpsです、ちなみにNJ5700Eは
PCの性能が上がるので、平均で5,000Mbps以上でます。
また、セッションは1本よりも3~5本張る方が性能が向上するようなので、以下は全て
5セッションで測定しています。
で、150MbpsでLINKを張った無線LANの測定結果
★☆ 有線LAN接続(100Mbps) ☆★
次に、ETG4-US2Wにて100BASE-TX接続とします、WHR-G301NはGiga未対応です。
NJ5700(有線) <--> WHR-G301N(有線) <--> W500(ETG4-US2W使用)
100Mbps接続時には、規格上限付近の速度が出ているので、ETG4-US2Wがネックに
なる事はなさそうです、Gigabitの価値がありますね。
★☆ 有線LAN接続(1,000Mbps) ☆★
最後に、HubをGigabit対応に変更し、最高性能にします。
NJ5700(有線) <--> LSW-GT-8NSR(有線) <--> W500(ETG4-US2W使用)
最高性能は平均211Mbpsとなりました、無線接続の3倍以上の速度です。
一応ジャンボフレームも設定してみましたが、NJ5700E側の設定がアバウトで、性能を
引き出せない可能性があり、結果変わらずでした。
★☆ 実際にコピーすると?? ☆★
ここまでで理想的な条件による測定を行ってきましたが、実際のファイルコピー性能も
測定してみました。
対象は、その辺のフォルダにあったダウンロードファイル+デジカメの撮影データ4.62GBytes
の、計273ファイル・フォルダになります。
これらをアイ・オー・データ機器謹製マッハコピーを使用して、コピーします、機器構成は
上記同様ですが、有線100Mbpsの条件では測定していません。
結果は、以下の通りです。
無線LAN(150Mbps)
1回目: 12分16秒
2回目: 12分02秒
3回目: 12分05秒
平均: 12分07秒
有線LAN(1,000Mbps)
1回目: 6分15秒
2回目: 6分11秒
3回目: 6分08秒
平均: 6分11秒
実効値でも2倍程度高速化されていることが確認できました。
ちなみに、NAS(HDL-GS500)はGigabit接続しても70Mbps程度の速度しか出ない
ので、残念ながら無線接続から小幅な性能向上となりました、残念。
★☆ まとめ ☆★
ETG4-US2Wを使うと、W500の通信性能を大幅に向上させることができることが
分かりました。
実際はUSB2.0の理論転送速度の約半分が上限となるわけですが、100BASE-TX
のネットワークしか搭載されていないPCや、そもそもRJ-54端子の無い薄型PCの
通信環境を改善するのに非常に適した製品であると思います。

















ZIGSOWにログインするとコメントやこのアイテムを持っているユーザー全員に質問できます。