**** 小さな巨人と言ったところか・・・ ****
2.5インチよりさらに小さい1.8インチのSSDです。
しかも、この大きさで容量が240GBもあります。
箱を開けると

[SPEED DEMON]のステッカーも一緒に入っていました。
さて、大きさもさることながらその重さをチェックしてみます。


なんと!!
40gです!!
驚きの軽さです。
今回の3500は1.8インチと言うサイズと電源電圧が3.3Vです。
そこでPCに実装するため以下の物を準備しました。
こちらは、ソケット部(基板)に3.3Vの三端子レギュレータを内蔵しており、5V接続が出来ます。
***** 性 能 比 較 *****
性能を手持ちの520シリーズと比較してみる事にします。
比較した520シリーズはこちらです。
それでは、まず520の計測結果です。

次に3500の計測結果です。

全体的にはReadが得意そうだと判断できます。
どの数値を見ても、HDDよりははるかに速いですね。
ここまでは、普通の一般的なレビューです。
さて、これからが限界にチャレンジと言うことになります。
****** ギリギリチャレンジ!! *****
今回、私がチャレンジするのは電源電圧変動です。
通常の製品なら±10%の動作保証と言ったところでしょうが、今回は±15%にチャレンジです。
そのために少々手の込んだ準備をしました。
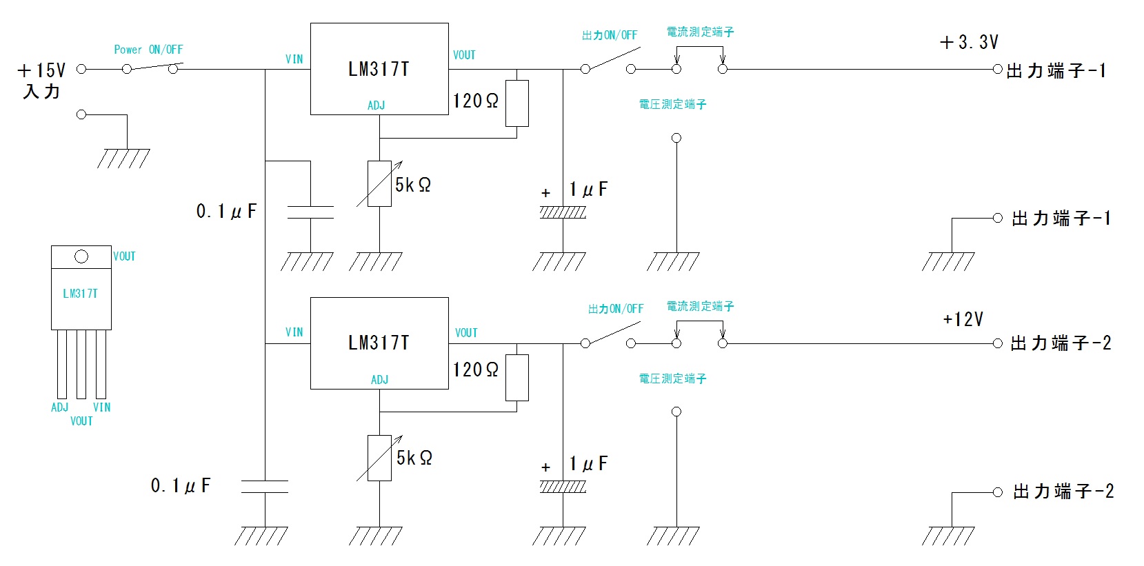
まず、電圧調整用にちょっとした回路を組んで、それをアダプタの三端子レギュレータ出口に接続して行うことにしました。
まずは使用した電源電圧調整回路です。

上側の3.3V回路のみを使用します。
実際に使用した回路はこんな物です。


接続した様子は

この状態で組み込みました。

測定結果は
まず、2.8Vでやってみましたが起動も認識もしませんでした。
次に2.962V入力時です。
次に2.975V入力時です。

次に3.129V入力時です。

次に3.3V(定格)入力時です。

次に3.465V入力時です。

次に3.63V入力時です。

次に3.829V入力時です。

全体的にはこんな感じで、良好に動作する事が判りました。
***** 結 果 ******
結果を表にまとめてみました。

グラフで見てみます。

感覚的には低電圧側が少々良い結果に見えてしまいます。
高電圧側は何処まで動くか少々気になるところではありますが今回はここまでにしておきます。

最終的な取付はこんな感じです。
***** 総 評 *****
1.良い点
① 1.8インチと非常にコンパクト
② 40gと非常に軽い
③ サイズの割に大容量だ。
④ 電圧低下に強い!!
2.悪い点
① 電源の接続はmicroSATAコネクタが必要で、特殊な場合を除き変換アダプタが必要!
② ディスクトップに取付けるには2段階の変換が必要。
****** 修正・追加履歴 ******
① 2013/10/21 20:25 電圧調整回路の基準電圧部の抵抗値を240Ωから120Ωへ
変更しました。これにより、要求される性能を満足する事が出来ます。
白輝望さん
2013/10/20
電圧あげても速度が上がるというわけではないんですね。
タコシーさん
2013/10/20
電圧ADJ基板を作るのが大変でしたね
お疲れ様でした....
CLWさん
2013/10/20
そうなんですよ意外や意外、低電圧の方が結果が良かったって点だけでも、このSSDはノート等のモバイルディバイス向けって感じがしますね。(^^ゞ
CLWさん
2013/10/20
読んで頂きありがとうございました。m(__)m
電圧調整回路は未だ未だ改良の余地ありでした。(^^ゞ
aquasky7さん
2013/10/20
レビュー作成お疲れ様でした!
Picardさん
2013/10/20
私は、レビューー終了後は、SATA変換アダプターと共に2.5inch SSD/HDDケースに閉じ込めました。
ポータブルSSDとして、レビューを続ける予定です。
(現状では1.8inch SSDの使い道を他に思いつきません)
CLWさん
2013/10/20
低電圧側の10%程度なら問題なく動作します。
ただ、3.3VってCPUでも使用していますからね・・・もしかすると微妙かも(笑)
CLWさん
2013/10/20
お疲れ様です。m(__)m
ポータブルには最適だと思います。
私の場合は、ポータブルも前に頂いてますし、今のところ必要ないのでメインPCのSSD(520)と入れ替えを予定しています。(笑)
カーリーさん
2013/10/28
盛っても早くなるものではないのですねぇ
CLWさん
2013/10/28
まぁ、メモリディバイスの塊ですから、盛って早くなるとは思ってませんでしたが、電圧を10%程度でも平気なのは、意外でした。(^^ゞ